各種締結ねじの中で、溶接ナットは数多く採用されております。
それに代わる物として、昨今クリンチナットの需要が増しています。
コスト面においても有効な加工方法が認められ、OPGとしてご提案いたします。
締結母材の板厚等の変更により、サイズの異なる製品の製造も可能です。
特長
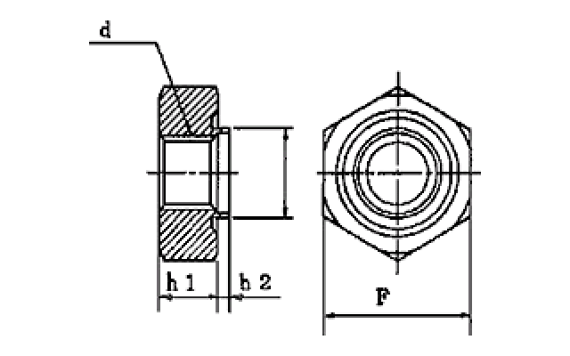
上部から見た場合、通常のナットと同形状の製品が可能であり、ニーズにより締結する板厚も異なります。
当然、溶接ではない為、溶接部からのサビ等が発生しません。
溶接による結合でないため、溶接痕が残らず見た目が美しい。
またサイズにより、ハンディー工具を製作すれば、作業性が格段に向上します。

寸法表
| (単位:mm) | |||||||
| Hタイプ サイズ |
d | F | D1 | h1 | h2 | 相手板厚 (現行サイズの場合) |
|
| M3 | 0.5×7×D4 | M3 | 7 | 4.0 | 2.4 | 0.8 | 0.4~0.8 |
| M4 | 0.7×8×D5 | M4 | 8 | 5.0 | 3.2 | 0.8 | 0.4~0.8 |
| M5 | 0.8×10×D6 | M5 | 10 | 6.0 | 4.0 | 0.8 | 0.5~1.0 |
| M6 | 1.0×12×D7 | M6 | 12 | 7.0 | 4.8 | 0.9 | 0.6~1.2 |
| ※ ご要望によりH、S、O、Kタイプの寸法書を別送いたします。 | |||||||
カシメ方法
- 取付け母材の下穴抜き加工&バーリング加工(母材成形時)
- 母材にナットをセットし専用工具にてカシメる 溶接ナットの下穴合わせ必要なし
- お客様使用用途に合わせてカシメ方法をご提案させて頂きます 【箇所・数量・サイズ・施工】
- ハンディータイプ(数量が少ない・溶接が困難 など)
- 卓上プレスタイプ(大量に使用箇所がある・サイズが大きくカシメトルクを必要とする など)
- お客様プレス金型組込みタイプ(母材成型時に併せてナットをカシメこむ など)
