袋ナット(溶接キャップナット 標準型・DIN型)

袋ナット(溶接キャップナット 標準型・DIN型)
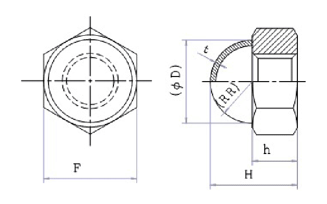
袋ナット(溶接キャップナット 標準型・DIN型)寸法図
名称 袋ナット(溶接キャップナット 標準型・DIN型)
品番 WECN・HWCN
サイズ M3~M10
※特殊サイズ形状生産可能
材質

仕様書 PDFダウンロード
問合せ この商品について問い合わせる

特長

袋とナットを独自の溶接技術により溶着している為、袋がずれない、落ちない、はずれない。
表面処理技術も優れているので仕上がりが綺麗。
外見の美しい形状ですので 外装関係にも適します。特注サイズも生産可能です。

寸法表

(単位:mm)
ねじ呼び F D h H t
M4 7.0 0
-0.2
5.6 3.2 6.2 ±0.25 0.4
M5 8.0 0
-0.2
6.6 4.0 7.5 0.5
M6 10.0 0
-0.2
8.5 5.0 9.5 0.6
M8 13.0 0
-0.25
11.5 6.5 12.5 ±0.30 0.8
M10 17.0 0
-0.25
14.5 8.0 15.5 1.0

上記寸法以外でも各種ユーザー様ニーズに合わせ、生産可能です。

・袋部が高いタイプ
・袋ナットに座金を組み込んだタイプ
・特殊な形状のもの・・・

特殊な袋ナットのお問い合わせもお受け致します。

製品一覧へ戻る