特長
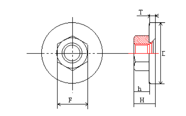
本商品は一体型フランジナットに比較し、座面の広い丸ワッシャーを固定して取り付けており、
薄板或いは柔らかい金属座面の傷を極力小さくするフラットワッシャータイプの六角ナットです。
ナットとワッシャーはカシメにて固定されています。
寸法表
| (単位:mm) | |||||||||
| ねじ呼び | ねじ | ナット部 | ワッシャー部 | 組立全高 | |||||
| d | ピッチ | F | h | D | T | (H) | |||
| M6×10×20(F) | M6 | 1.0 | 10 | 0 -0.2 |
5 | 20 | 0 -0.3 |
2.0 | 7.0 |
| M6×10×22(F) | M6 | 1.0 | 10 | 0 -0.2 |
5 | 22 | 0 -0.5 |
2.0 | 7.0 |
| M6×10×25(F) | M6 | 1.0 | 10 | 0 -0.2 |
5 | 25 | 0 -0.5 |
1.6 | 6.9 |
| M8×13×23(F) | M8 | 1.25 | 13 | 0 -0.25 |
6.5 | 23 | 0 -0.5 |
1.6 | 8.4 |
| M8×13×25(F) | M8 | 1.25 | 13 | 0 -0.25 |
6.5 | 25 | 0 -0.5 |
1.6 | 8.4 |
| M8×13×27(F) | M8 | 1.25 | 13 | 0 -0.25 |
6.5 | 27 | 0 -0.5 |
1.6 | 8.4 |
