チタンプレス製蝶ボルト・チタン製プレス蝶ナット

チタンプレス製蝶ボルト・チタン製プレス蝶ナット
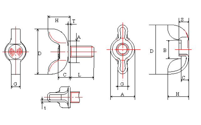
チタンプレス製蝶ボルト・チタン製プレス蝶ナット寸法図
名称 チタンプレス製蝶ボルト・チタン製プレス蝶ナット
品番 Ti-CPWS・Ti-HWN
サイズ 現段階はM6x12・15・20・25・30のみ販売
材質

純チタン (純チタン1種相当)
チタン蝶ナットはJIS3種相当品

仕様書 PDFダウンロード
問合せ この商品について問い合わせる

特長

材質がチタンであるため、軽量で尚且つ腐食環境に優れており、
あらゆる用途で安心した使用条件を満たします。

寸法表

チタン製プレス蝶ボルト (単位:mm)
ねじ呼び D H C A T G t L
M5 22 ±1.0 10.0 ±1.0 5.4 ±1.0 10.0 ±0.5 1.2 ±0.1 4 ±0.4 0.8
M6 25 +1.5
-0.5
12.5 6.5 12.0 ±0.8 1.3 5 ±0.5 1.0 12~30
M8 32 +1.5
-0.5
15.8 7.9 15.0 ±0.8 1.5 6 1.2
チタン製プレス蝶ナット (単位:mm)
ねじ呼び D H C A S G t B
M6 25.4 ±1.0 9.5 ±1.0 4.3 ±0.5 12.8 ±0.5 4.3 ±0.5 5 ±0.5 1.0 (9.4)
製品一覧へ戻る