特長
圧造蝶ボルトのセッティング技術を生かし、省力化及び軽量化 そしてコスト低減を実現したオリジナル商品。
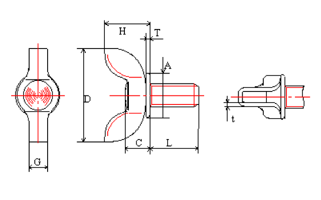
蝶部はプレス製蝶ナットの技術を生かしているものの、形状を変える事により水受けのしないスマートなデザインとなっています。
寸法表
| (単位:mm) | |||||||||||||
| ねじ呼び | D | H | C | A | T | G | t | ||||||
| M4 | 20 | ±1.0 | 9.0 | ±1.0 | 4.9 | ±1.0 | 7.2 | ±0.5 | 1.0 | ±0.1 | 4 | ±0.3 | 0.8 |
| M5 | 22 | 9.6 | 5.4 | 10.0 | 1.2 | 4 | ±0.4 | ||||||
| M6 | 25 | 12.0 | 6.5 | 12.0 | 1.3 | 5 | ±0.5 | 1.0 | |||||
| M8 | 32 | 15.3 | 7.9 | 15.0 | 1.5 | 6 | 1.2 | ||||||
| M10 | 41 | 19.3 | 9.8 | 18.0 | ±0.7 | 2.0 | 7 | 1.6 | |||||
| M12 | 47 | 23.0 | 11.5 | 20.0 | 2.3 | 8 | |||||||
