特長
自社製の順送金型生産による国内初のプレス製蝶ナットです。
うすい鉄板からできている為、軽量を必要 とする商品やその分野に適します。
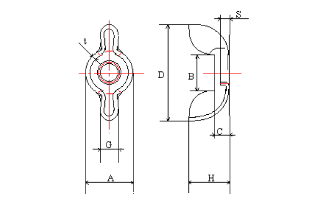
寸法表
| 低型 WN | (単位:mm) | |||||||||||
| ねじ呼び | 蝶幅呼称 | D | H | C | G | t | S | B | ||||
| M3 M4 |
19 | 19.1 | ±1.0 | 8.5 | ±0.5 | 3.0 | 4.0 | ±0.5 | 0.8 | 1.8 | ±0.5 | 7 |
| M4 M5 |
22 | 22.2 | 9 | 3.0 | 4.5 | 0.8 | 2.1 | 8 | ||||
| M6 | 25 | 25.4 | 9.5 | 3.5 | 4.5 | 1.0 | 2.3 | 9 | ||||
| M8 | 29 | 28.6 | 11 | 4.5 | 6.3 | 1.2 | 3.2 | 10 | ||||
| M10 | 35 | 34.9 | 13 | 5.5 | 7.0 | 1.3 | 3.8 | 12.5 | ||||
