特長
ねじ山が多い為、軽量を必要とし又高いトルクを必要とする商品及び場所に適します。
チタン製はこちら
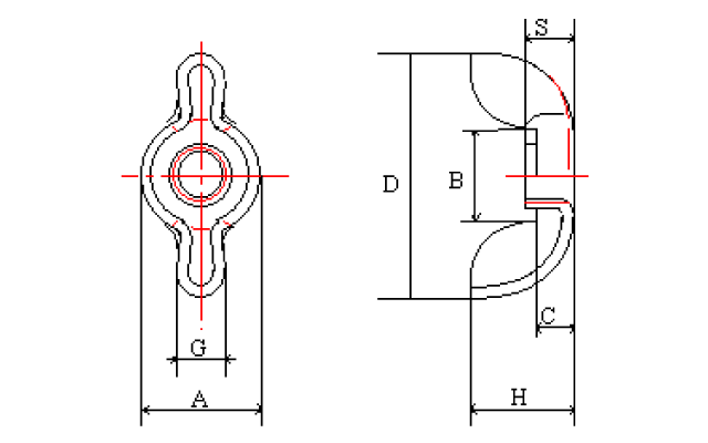
寸法表
| 高型 HWN | (単位:mm) | ||||||||||||
| ねじ呼び | 蝶幅呼称 | D | H | C | G | t | S | B | |||||
| M4 | 19 | 19.1 | ±1.0 | 8.5 | ±0.5 | 3.5 | 4.0 | ±0.5 | 0.8 | 4.0 | ±0.5 | 7 | |
| M4 M5 |
22 | 22.2 | 9.5 | 3.5 | 4.5 | 1.0 (0.8) |
4.5 | 8 | |||||
| M6 | 25 | 25.4 | 10 | 4.0 | 4.5 | 1.0 | 5.2 | 9 | |||||
| M8 | 32 | 31.8 | 11.5 | 5.0 | 6.3 | 1.2 | 6.5 | 12 | |||||
| SSHWN(ステンレス) | (単位:mm) | |||||||||||
| ねじ呼び | 蝶幅呼称 | D | H | S | A | C | (B) | G | t* | |||
| M4 | 22 | 22.2 ±1.0 | 8.5 ±0.5 | 4.5 ±0.5 | 11.0 ±0.5 | 3.5 ±0.5 | 8 | 4.5 ±0.5 | 0.8 | |||
| M5 | 22 | 22.2 ±1.0 | 8.5 ±0.5 | 4.5 ±0.5 | 11.0 ±0.5 | 3.5 ±0.5 | 8 | 4.5 ±0.5 | 0.8 | |||
| M6 | 25 | 25.4 ±1.0 | 10.0 ±0.5 | 5.2 ±0.5 | 12.8 ±0.5 | 4.0 ±0.5 | 9 | 4.5 ±0.5 | 1.0 | |||
| M8 | 32 | 31.8 ±1.0 | 11.5 ±0.5 | 6.5 ±0.5 | 17.0 ±0.5 | 5.0 ±0.5 | 12 | 6.3 ±0.5 | 1.2 | |||
